GLYBL-IV氧化锌避雷器测试仪
- 产品别名:
- 氧化锌避雷器测试仪、智能型避雷器特性测试仪、抗干扰氧化锌避雷器特性测试仪、氧化锌避雷器带电测试仪、氧化锌避雷器特性测试仪
- 产品类别:
- 电缆及避雷器类
- 销售电话:
- 027-83527176 83524363
- 联系电话:
- 13707165048
产品优势
易操作、体积小、重量轻、使用方便。
产品简介
氧化锌避雷器测试仪用于氧化锌[MOA] 泄漏电流的测量分析。主要是用于测量阻性电流,从而分析氧化锌老化和受潮的程度。现场带电测试符合中华人民共和国电力行业标准《DL474.5—92现场绝缘试验实施导则—避雷器试验》的要术。也可用于实验室做出厂和验收试验。
产品别名
氧化锌避雷器测试仪、智能型避雷器特性测试仪、抗干扰氧化锌避雷器特性测试仪、避雷器阻性泄漏电流检测仪、氧化锌避雷器带电测试仪、交流无间隙氧化锌避雷器测试仪、氧化锌避雷器特性测试仪
产品特点
仪器面板结构图:
产品参数
参考电压输入范围(峰值): 10V-200V
全泄漏电流测量范围(峰值): 100uA-10mA
阻性电流测量范围(峰值): 0-10mA
容性电流测量范围(峰值): 0-10mA
角度测量范围: 0·-360·
功耗: 4W
系统测量准确度: ±(读数´2% + 5个字)(谐波电流不大于2mA)
交流电源: AC 220V ±10%,50Hz ±1%
接线图:
1. 实验室接线图
图2
本方法需配可调交流高压电源,电压信号输入接到试验变压器的测量仪表端,氧化锌避雷器一端接高压,另一端经一保护器接地,与仪器的地和高压电源地在联接在一起。交流电流信号输入端接到避雷器的下端和地。
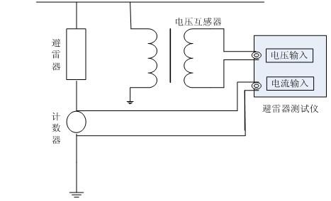
2. 在线接线图(带电测试)
图3
在线测量时电压信号输入端接到与被测避雷器位于同相PT的二次测,电流信号输入端接到避雷器的计数器两端,仪器的接地端接至计数器的下端并与地相联。
根据现场的要求,参照上述接线方式正确联线
国家电力电气知名品牌:武汉市国力电气设备有限公司http://www.wuhangl.com/高压试验变压器









发表评论共有0访客发表了评论